일반 일반 사양 | 항목 | 사양 |
|---|
| 구조 | 반내 내장형 |
|---|
| 접지 방법 | D 종 접지 (제 3 종 접지) |
|---|
| 사용 환경 | 사용 주위 온도 | 0 ~ 55 ℃ |
|---|
| 사용 주위 습도 | 10 ~ 95 % RH (결로 · 결빙 없을 것) |
|---|
| 사용 주위 환경 | 부식성 가스가 없을 것 |
|---|
| 저장 주위 온도 | -25 ~ + 70 ℃ (단, 결로 · 결빙 없을 것) |
|---|
| 사용 표고 | 2,000m 이하 |
|---|
| 오염도 | 오염도 2 이하 : JIS B3502, IEC61131-2에 적합 |
|---|
| 내 노이즈 성 | IEC61000-4-4에 준거 2kV (전원 선) |
|---|
| 과전압 카테고리 | 카테고리 Ⅱ : JIS B3502, IEC61131-2에 적합 |
|---|
| EMC 내성 레벨 | 영역 B |
|---|
| 진동 * 1 | IEC60068-2-6에 따라 5 ~ 8.4Hz 진폭 3.5mm, 8.4 ~ 150Hz 가속도 9.8m / s 2 X, Y, Z 각 방향 100 분 (소인 시간 10 분 × 소인 횟수 10 회 = 총 100 분) |
|---|
| 내충격 * 1 | IEC60068-2-27에 준거 147m / s 2 X, Y, Z 각 방향 3 회 |
|---|
| 적합 규격 * 2 | cULus Listed UL508 ANSI / ISA 12.12.01, EC : EN61131-2, C-Tick, 한국 전파법 등록, NK, LR |
|---|
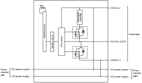
개별 사양트랜지스터 출력 유니트 (스크류리스 클램프 단자대, 12mm 폭)NX-OD2154 | 장치 이름 | 트랜지스터 출력 유니트 | 형식 | NX-OD2154 |
|---|
| 점수 | 2 점 | 외부 연결 단자 | 스크류리스 클램프 단자대 (8 핀) |
|---|
| I / O 리프레쉬 방식 | 시간 지정 출력 방식 |
|---|
| LED 표시 | [TS] LED 출력 표시 LED | 내부 I / O 커먼 선 처리 | NPN |
|---|
| 정격 전압 | DC24V |
|---|
| 사용 부하 전압 범위 | DC15 ~ 28.8V |
|---|
| 최대 부하 전류 | 0.5A / 점, 1A / NX 유닛 |
|---|
| 최대 돌입 전류 | 4.0A / 점, 10ms 이하 |
|---|
| 누설 전류 | 0.1mA 이하 |
|---|
| 잔류 전압 | 1.5V 이하 |
|---|
| ON / OFF 응답 시간 | 300ns 이하 / 300ns 이하 |
|---|
| 외형 치수 | 12 (W) × 100 (H) × 71 (D) | 절연 방식 | 디지털 아이솔레이터 절연 |
|---|
| 절연 저항 | 절연 된 회로 간 20MΩ 이상 (DC100V에서) | 내전압 | 절연 된 회로 사이 AC510V, 1 분간 누설 전류 5mA 이하 |
|---|
| I / O 전원 공급 방법 | NX 버스에서 공급 | I / O 전원 단자 전류 용량 | IOV : 0.5A / 1pin 이하, IOG : 0.5A / 1pin 다음 |
|---|
NX 유니트 전원 소비 전력 | 0.50W 이하 | I / O 전원 소비 전류 | 30mA 이하 |
|---|
| 질량 | 70g 이하 |
|---|
| 회로 구성 | |
|---|
| 설치 방향 및 제한 | 설치 방향 : 6 방향 가능 제한 : 없음 |
|---|
| 단자 접속도 | |
|---|
| 단선 / 단락 감지 기능 | 없음 | 보호 기능 | 없음 |
|---|
NX-OD2258 | 장치 이름 | 트랜지스터 출력 유니트 | 형식 | NX-OD2258 |
|---|
| 점수 | 2 점 | 외부 연결 단자 | 스크류리스 클램프 단자대 (8 핀) |
|---|
| I / O 리프레쉬 방식 | 시간 지정 출력 방식 |
|---|
| LED 표시 | [TS] LED 출력 표시 LED | 내부 I / O 커먼 선 처리 | PNP |
|---|
| 정격 전압 | DC24V |
|---|
| 사용 부하 전압 범위 | DC15 ~ 28.8V |
|---|
| 최대 부하 전류 | 0.5A / 점, 1A / NX 유닛 |
|---|
| 최대 돌입 전류 | 4.0A / 점, 10ms 이하 |
|---|
| 누설 전류 | 0.1mA 이하 |
|---|
| 잔류 전압 | 1.5V 이하 |
|---|
| ON / OFF 응답 시간 | 300ns 이하 / 300ns 이하 |
|---|
| 외형 치수 | 12 (W) × 100 (H) × 71 (D) | 절연 방식 | 디지털 아이솔레이터 절연 |
|---|
| 절연 저항 | 절연 된 회로 간 20MΩ 이상 (DC100V에서) | 내전압 | 절연 된 회로 사이 AC510V, 1 분간 누설 전류 5mA 이하 |
|---|
| I / O 전원 공급 방법 | NX 버스에서 공급 | I / O 전원 단자 전류 용량 | IOV : 0.5A / 1pin 이하, IOG : 0.5A / 1pin 다음 |
|---|
NX 유니트 전원 소비 전력 | 0.50W 이하 | I / O 전원 소비 전류 | 40mA 이하 |
|---|
| 질량 | 70g 이하 |
|---|
| 회로 구성 | |
|---|
| 설치 방향 및 제한 | 설치 방향 : 6 방향 가능 제한 : 없음 |
|---|
| 단자 접속도 | |
|---|
| 단선 / 단락 감지 기능 | 없음 | 보호 기능 | 부하 단락 보호 기능 있음 |
|---|
NX-OD3121 | 장치 이름 | 트랜지스터 출력 유니트 | 형식 | NX-OD3121 |
|---|
| 점수 | 4 점 | 외부 연결 단자 | 스크류리스 클램프 단자대 (12 핀) |
|---|
| I / O 리프레쉬 방식 | 프리 런 리프레쉬 방식 또는 입출력 동기 리프레쉬 방식 전환 |
|---|
| LED 표시 | [TS] LED 출력 표시 LED | 내부 I / O 커먼 선 처리 | NPN |
|---|
| 정격 전압 | DC12 ~ 24V |
|---|
| 사용 부하 전압 범위 | DC10.2 ~ 28.8V |
|---|
| 최대 부하 전류 | 0.5A / 점, 2A / NX 유닛 |
|---|
| 최대 돌입 전류 | 4.0A / 점, 10ms 이하 |
|---|
| 누설 전류 | 0.1mA 이하 |
|---|
| 잔류 전압 | 1.5V 이하 |
|---|
| ON / OFF 응답 시간 | 0.1ms 이하 /0.8ms 다음 |
|---|
| 외형 치수 | 12 (W) × 100 (H) × 71 (D) | 절연 방식 | 포토 커플러 절연 |
|---|
| 절연 저항 | 절연 된 회로 간 20MΩ 이상 (DC100V에서) | 내전압 | 절연 된 회로 사이 AC510V, 1 분간 누설 전류 5mA 이하 |
|---|
| I / O 전원 공급 방법 | NX 버스에서 공급 | I / O 전원 단자 전류 용량 | IOV : 0.5A / 1pin 이하, IOG : 0.5A / 1pin 다음 |
|---|
NX 유니트 전원 소비 전력 | 0.55W 이하 | I / O 전원 소비 전류 | 10mA 이하 |
|---|
| 질량 | 70g 이하 |
|---|
| 회로 구성 | |
|---|
| 설치 방향 및 제한 | 설치 방향 : 6 방향 가능 제한 : 없음 |
|---|
| 단자 접속도 | |
|---|
| 단선 / 단락 감지 기능 | 없음 | 보호 기능 | 없음 |
|---|
NX-OD3153 | 장치 이름 | 트랜지스터 출력 유니트 | 형식 | NX-OD3153 |
|---|
| 점수 | 4 점 | 외부 연결 단자 | 스크류리스 클램프 단자대 (12 핀) |
|---|
| I / O 리프레쉬 방식 | 프리 런 리프레쉬 방식 또는 입출력 동기 리프레쉬 방식 전환 |
|---|
| LED 표시 | [TS] LED 출력 표시 LED | 내부 I / O 커먼 선 처리 | NPN |
|---|
| 정격 전압 | DC24V |
|---|
| 사용 부하 전압 범위 | DC15 ~ 28.8V |
|---|
| 최대 부하 전류 | 0.5A / 점, 2A / NX 유닛 |
|---|
| 최대 돌입 전류 | 4.0A / 점, 10ms 이하 |
|---|
| 누설 전류 | 0.1mA 이하 |
|---|
| 잔류 전압 | 1.5V 이하 |
|---|
| ON / OFF 응답 시간 | 300ns 이하 / 300ns 이하 |
|---|
| 외형 치수 | 12 (W) × 100 (H) × 71 (D) | 절연 방식 | 디지털 아이솔레이터 절연 |
|---|
| 절연 저항 | 절연 된 회로 간 20MΩ 이상 (DC100V에서) | 내전압 | 절연 된 회로 사이 AC510V, 1 분간 누설 전류 5mA 이하 |
|---|
| I / O 전원 공급 방법 | NX 버스에서 공급 | I / O 전원 단자 전류 용량 | IOV : 0.5A / 단자 이하, IOG : 0.5A / 단자 이하 |
|---|
NX 유니트 전원 소비 전력 | 0.50W 이하 | I / O 전원 소비 전류 | 30mA 이하 |
|---|
| 질량 | 70g 이하 |
|---|
| 회로 구성 | |
|---|
| 설치 방향 및 제한 | 설치 방향 : 6 방향 가능 제한 : 없음 |
|---|
| 단자 접속도 | |
|---|
| 단선 / 단락 감지 기능 | 없음 | 보호 기능 | 없음 |
|---|
NX-OD3256 | 장치 이름 | 트랜지스터 출력 유니트 | 형식 | NX-OD3256 |
|---|
| 점수 | 4 점 | 외부 연결 단자 | 스크류리스 클램프 단자대 (12 핀) |
|---|
| I / O 리프레쉬 방식 | 프리 런 리프레쉬 방식 또는 입출력 동기 리프레쉬 방식 전환 |
|---|
| LED 표시 | [TS] LED 출력 표시 LED | 내부 I / O 커먼 선 처리 | PNP |
|---|
| 정격 전압 | DC24V |
|---|
| 사용 부하 전압 범위 | DC15 ~ 28.8V |
|---|
| 최대 부하 전류 | 0.5A / 점, 2A / NX 유닛 |
|---|
| 최대 돌입 전류 | 4.0A / 점, 10ms 이하 |
|---|
| 누설 전류 | 0.1mA 이하 |
|---|
| 잔류 전압 | 1.5V 이하 |
|---|
| ON / OFF 응답 시간 | 0.5ms 이하 /1.0ms 다음 |
|---|
| 외형 치수 | 12 (W) × 100 (H) × 71 (D) | 절연 방식 | 포토 커플러 절연 |
|---|
| 절연 저항 | 절연 된 회로 간 20MΩ 이상 (DC100V에서) | 내전압 | 절연 된 회로 사이 AC510V, 1 분간 누설 전류 5mA 이하 |
|---|
| I / O 전원 공급 방법 | NX 버스에서 공급 | I / O 전원 단자 전류 용량 | IOV : 0.5A / 단자 이하, IOG : 0.5A / 단자 이하 |
|---|
NX 유니트 전원 소비 전력 | 0.55W 이하 | I / O 전원 소비 전류 | 20mA 이하 |
|---|
| 질량 | 70g 이하 |
|---|
| 회로 구성 | |
|---|
| 설치 방향 및 제한 | 설치 방향 : 6 방향 가능 제한 : 없음 |
|---|
| 단자 접속도 | |
|---|
| 단선 / 단락 감지 기능 | 없음 | 보호 기능 | 부하 단락 보호 기능 있음 |
|---|
NX-OD3257 | 장치 이름 | 트랜지스터 출력 유니트 | 형식 | NX-OD3257 |
|---|
| 점수 | 4 점 | 외부 연결 단자 | 스크류리스 클램프 단자대 (12 핀) |
|---|
| I / O 리프레쉬 방식 | 프리 런 리프레쉬 방식 또는 입출력 동기 리프레쉬 방식 전환 |
|---|
| LED 표시 | [TS] LED 출력 표시 LED | 내부 I / O 커먼 선 처리 | PNP |
|---|
| 정격 전압 | DC24V |
|---|
| 사용 부하 전압 범위 | DC15 ~ 28.8V |
|---|
| 최대 부하 전류 | 0.5A / 점, 2A / NX 유닛 |
|---|
| 최대 돌입 전류 | 4.0A / 점, 10ms 이하 |
|---|
| 누설 전류 | 0.1mA 이하 |
|---|
| 잔류 전압 | 1.5V 이하 |
|---|
| ON / OFF 응답 시간 | 300ns 이하 / 300ns 이하 |
|---|
| 외형 치수 | 12 (W) × 100 (H) × 71 (D) | 절연 방식 | 디지털 아이솔레이터 절연 |
|---|
| 절연 저항 | 절연 된 회로 간 20MΩ 이상 (DC100V에서) | 내전압 | 절연 된 회로 사이 AC510V, 1 분간 누설 전류 5mA 이하 |
|---|
| I / O 전원 공급 방법 | NX 버스에서 공급 | I / O 전원 단자 전류 용량 | IOV : 0.5A / 단자 이하, IOG : 0.5A / 단자 이하 |
|---|
NX 유니트 전원 소비 전력 | 0.50W 이하 | I / O 전원 소비 전류 | 40mA 이하 |
|---|
| 질량 | 70g 이하 |
|---|
| 회로 구성 | |
|---|
| 설치 방향 및 제한 | 설치 방향 : 6 방향 가능 제한 : 없음 |
|---|
| 단자 접속도 | |
|---|
| 단선 / 단락 감지 기능 | 없음 | 보호 기능 | 부하 단락 보호 기능 있음 |
|---|
NX-OD3268 | 장치 이름 | 트랜지스터 출력 유니트 | 형식 | NX-OD3268 |
|---|
| 점수 | 4 점 | 외부 연결 단자 | 스크류리스 클램프 단자대 (16 핀) |
|---|
| I / O 리프레쉬 방식 | 프리 런 리프레쉬 방식 또는 입출력 동기 리프레쉬 방식 전환 |
|---|
| LED 표시 | [TS] LED 출력 표시 LED
 | 내부 I / O 커먼 선 처리 | PNP |
|---|
| 정격 전압 | DC24V |
|---|
| 사용 부하 전압 범위 | DC15 ~ 28.8V |
|---|
| 최대 부하 전류 | 2A / 점, 8A / NX 유닛 |
|---|
| 최대 돌입 전류 | 4.0A / 점, 10ms 이하 |
|---|
| 누설 전류 | 0.1mA 이하 |
|---|
| 잔류 전압 | 1.5V 이하 |
|---|
| ON / OFF 응답 시간 | 0.5ms 이하 /1.0ms 다음 |
|---|
| 외형 치수 | 12 (W) × 100 (H) × 71 (D) | 절연 방식 | 포토 커플러 절연 |
|---|
| 절연 저항 | 절연 된 회로 간 20MΩ 이상 (DC100V에서) | 내전압 | 절연 된 회로 사이 AC510V, 1 분간 누설 전류 5mA 이하 |
|---|
| I / O 전원 공급 방법 | 외부에서 공급 | I / O 전원 단자 전류 용량 | IOV : 2A / 단자 이하, IOG : 2A / 단자 이하, COM (+ V) : 4A / 단자 이하, 0V : 4A / 끝 자가 다음 |
|---|
NX 유니트 전원 소비 전력 | 0.50W 이하 | I / O 전원 소비 전류 | 20mA 이하 |
|---|
| 질량 | 70g 이하 |
|---|
| 회로 구성 | .gif) |
|---|
| 설치 방향 및 제한 | 설치 방향 : 6 방향 가능 제한 : 없음 |
|---|
| 단자 접속도 | · 0V는 2 단자 있지만, 반드시 2 단자도 연결하십시오. · COM (+ V)는 2 단자 있지만, 반드시 2 단자도 연결하십시오. |
|---|
| 단선 / 단락 감지 기능 | 없음 | 보호 기능 | 부하 단락 보호 기능 있음 |
|---|
NX-OD4121 | 장치 이름 | 트랜지스터 출력 유니트 | 형식 | NX-OD4121 |
|---|
| 점수 | 8 점 | 외부 연결 단자 | 스크류리스 클램프 단자대 (16 핀) |
|---|
| I / O 리프레쉬 방식 | 프리 런 리프레쉬 방식 또는 입출력 동기 리프레쉬 방식 전환 |
|---|
| LED 표시 | [TS] LED 출력 표시 LED | 내부 I / O 커먼 선 처리 | NPN |
|---|
| 정격 전압 | DC12 ~ 24V |
|---|
| 사용 부하 전압 범위 | DC10.2 ~ 28.8V |
|---|
| 최대 부하 전류 | 0.5A / 점, 4A / NX 유닛 |
|---|
| 최대 돌입 전류 | 4.0A / 점, 10ms 이하 |
|---|
| 누설 전류 | 0.1mA |
|---|
| 잔류 전압 | 1.5V 이하 |
|---|
| ON / OFF 응답 시간 | 0.1ms 이하 /0.8ms 다음 |
|---|
| 외형 치수 | 12 (W) × 100 (H) × 71 (D) | 절연 방식 | 포토 커플러 절연 |
|---|
| 절연 저항 | 절연 된 회로 간 20MΩ 이상 (DC100V에서) | 내전압 | 절연 된 회로 사이 AC510V, 1 분간 누설 전류 5mA 이하 |
|---|
| I / O 전원 공급 방법 | NX 버스에서 공급 | I / O 전원 단자 전류 용량 | IOV : 0.5A / 단자 이하 |
|---|
NX 유니트 전원 소비 전력 | 0.55W 이하 | I / O 전원 소비 전류 | 10mA 이하 |
|---|
| 질량 | 70g 이하 |
|---|
| 회로 구성 | |
|---|
| 설치 방향 및 제한 | 설치 방향 : 6 방향 가능 제한 : 없음 |
|---|
| 단자 접속도 | |
|---|
| 단선 / 단락 감지 기능 | 없음 | 보호 기능 | 없음 |
|---|
NX-OD4256 | 장치 이름 | 트랜지스터 출력 유니트 | 형식 | NX-OD4256 |
|---|
| 점수 | 8 점 | 외부 연결 단자 | 스크류리스 클램프 단자대 (16 핀) |
|---|
| I / O 리프레쉬 방식 | 프리 런 리프레쉬 방식 또는 입출력 동기 리프레쉬 방식 전환 |
|---|
| LED 표시 | [TS] LED 출력 표시 LED | 내부 I / O 커먼 선 처리 | PNP |
|---|
| 정격 전압 | DC24V |
|---|
| 사용 부하 전압 범위 | DC15 ~ 28.8V |
|---|
| 최대 부하 전류 | 0.5A / 점, 4A / NX 유닛 |
|---|
| 최대 돌입 전류 | 4.0A / 점, 10ms 이하 |
|---|
| 누설 전류 | 0.1mA 이하 |
|---|
| 잔류 전압 | 1.5V 이하 |
|---|
| ON / OFF 응답 시간 | 0.5ms 이하 /1.0ms 다음 |
|---|
| 외형 치수 | 12 (W) × 100 (H) × 71 (D) | 절연 방식 | 포토 커플러 절연 |
|---|
| 절연 저항 | 절연 된 회로 간 20MΩ 이상 (DC100V에서) | 내전압 | 절연 된 회로 사이 AC510V, 1 분간 누설 전류 5mA 이하 |
|---|
| I / O 전원 공급 방법 | NX 버스에서 공급 | I / O 전원 단자 전류 용량 | IOG : 0.5A / 단자 이하 |
|---|
NX 유니트 전원 소비 전력 | 0.65W 이하 | I / O 전원 소비 전류 | 30mA 이하 |
|---|
| 질량 | 70g 이하 |
|---|
| 회로 구성 | |
|---|
| 설치 방향 및 제한 | 설치 방향 : 6 방향 가능 제한 : 없음 |
|---|
| 단자 접속도 | |
|---|
| 단선 / 단락 감지 기능 | 없음 | 보호 기능 | 부하 단락 보호 기능 있음 |
|---|
NX-OD5121 | 장치 이름 | 트랜지스터 출력 유니트 | 형식 | NX-OD5121 |
|---|
| 점수 | 16 점 | 외부 연결 단자 | 스크류리스 클램프 단자대 (16 핀) |
|---|
| I / O 리프레쉬 방식 | 프리 런 리프레쉬 방식 또는 입출력 동기 리프레쉬 방식 전환 |
|---|
| LED 표시 | [TS] LED 출력 표시 LED | 내부 I / O 커먼 선 처리 | NPN |
|---|
| 정격 전압 | DC12 ~ 24V |
|---|
| 사용 부하 전압 범위 | DC10.2 ~ 28.8V |
|---|
| 최대 부하 전류 | 0.5A / 점, 4A / NX 유닛 |
|---|
| 최대 돌입 전류 | 4.0A / 점, 10ms 이하 |
|---|
| 누설 전류 | 0.1mA 이하 |
|---|
| 잔류 전압 | 1.5V 이하 |
|---|
| ON / OFF 응답 시간 | 0.1ms 이하 /0.8ms 다음 |
|---|
| 외형 치수 | 12 (W) × 100 (H) × 71 (D) | 절연 방식 | 포토 커플러 절연 |
|---|
| 절연 저항 | 절연 된 회로 간 20MΩ 이상 (DC100V에서) | 내전압 | 절연 된 회로 사이 AC510V, 1 분간 누설 전류 5mA 이하 |
|---|
| I / O 전원 공급 방법 | NX 버스에서 공급 | I / O 전원 단자 전류 용량 | I / O 전원 단자 없음 |
|---|
NX 유니트 전원 소비 전력 | 0.65W 이하 | I / O 전원 소비 전류 | 20mA 이하 |
|---|
| 질량 | 70g 이하 |
|---|
| 회로 구성 | |
|---|
| 설치 방향 및 제한 | 설치 방향 : 6 방향 가능 제한 : 없음 |
|---|
| 단자 접속도 | |
|---|
| 단선 / 단락 감지 기능 | 없음 | 보호 기능 | 없음 |
|---|
NX-OD5256 | 장치 이름 | 트랜지스터 출력 유니트 | 형식 | NX-OD5256 |
|---|
| 점수 | 16 점 | 외부 연결 단자 | 스크류리스 클램프 단자대 (16 핀) |
|---|
| I / O 리프레쉬 방식 | 프리 런 리프레쉬 방식 또는 입출력 동기 리프레쉬 방식 전환 |
|---|
| LED 표시 | [TS] LED 출력 표시 LED | 내부 I / O 커먼 선 처리 | PNP |
|---|
| 정격 전압 | DC24V |
|---|
| 사용 부하 전압 범위 | DC15 ~ 28.8V |
|---|
| 최대 부하 전류 | 0.5A / 점, 4A / NX 유닛 |
|---|
| 최대 돌입 전류 | 4.0A / 점, 10ms 이하 |
|---|
| 누설 전류 | 0.1mA 이하 |
|---|
| 잔류 전압 | 1.5V 이하 |
|---|
| ON / OFF 응답 시간 | 0.5ms 이하 /1.0ms 다음 |
|---|
| 외형 치수 | 12 (W) × 100 (H) × 71 (D) | 절연 방식 | 포토 커플러 절연 |
|---|
| 절연 저항 | 절연 된 회로 간 20MΩ 이상 (DC100V에서) | 내전압 | 절연 된 회로 사이 AC510V, 1 분간 누설 전류 5mA 이하 |
|---|
| I / O 전원 공급 방법 | NX 버스에서 공급 | I / O 전원 단자 전류 용량 | I / O 전원 단자 없음 |
|---|
NX 유니트 전원 소비 전력 | 0.70W 이하 | I / O 전원 소비 전류 | 40mA 이하 |
|---|
| 질량 | 70g 이하 |
|---|
| 회로 구성 | |
|---|
| 설치 방향 및 제한 | 설치 방향 : 6 방향 가능 제한 : 없음 |
|---|
| 단자 접속도 | |
|---|
| 단선 / 단락 감지 기능 | 없음 | 보호 기능 | 부하 단락 보호 기능 있음 |
|---|
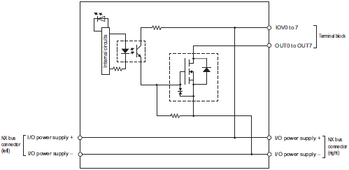
트랜지스터 출력 유니트 (M3 나사 단자대, 30mm 폭)NX-OD5121-1 | 장치 이름 | 트랜지스터 출력 유니트 | 형식 | NX-OD5121-1 |
|---|
| 점수 | 16 점 | 외부 연결 단자 | M3 나사 단자대 (18 핀) |
|---|
| I / O 리프레쉬 방식 | 프리 런 리프레쉬 방식 또는 입출력 동기 리프레쉬 방식 전환 |
|---|
| LED 표시 | [TS] LED 출력 표시 LED
 | 내부 I / O 커먼 선 처리 | NPN |
|---|
| 정격 전압 | DC12 ~ 24V |
|---|
| 사용 부하 전압 범위 | DC10.2 ~ 28.8V |
|---|
| 최대 부하 전류 | 0.5A / 점, 5A / NX 유닛 |
|---|
| 최대 돌입 전류 | 4.0A / 점, 10ms 이하 |
|---|
| 누설 전류 | 0.1mA 이하 |
|---|
| 잔류 전압 | 1.5V 이하 |
|---|
| ON / OFF 응답 시간 | 0.1ms 이하 /0.8ms 다음 |
|---|
| 외형 치수 | 30 (W) × 100 (H) × 71 (D) | 절연 방식 | 포토 커플러 절연 |
|---|
| 절연 저항 | 절연 된 회로 간 20MΩ 이상 (DC100V에서) | 내전압 | 절연 된 회로 사이 AC510V, 1 분간 누설 전류 5mA 이하 |
|---|
| I / O 전원 공급 방법 | 외부에서 공급 | I / O 전원 단자 전류 용량 | I / O 전원 단자 없음 |
|---|
NX 유니트 전원 소비 전력 | 0.60W 이하 | I / O 전원 소비 전류 | 30mA 이하 |
|---|
| 질량 | 125g 이하 |
|---|
| 회로 구성 | .gif) |
|---|
| 설치 방향 및 제한 | 설치 방향 : 6 방향 가능 제한 : 없음 |
|---|
| 단자 접속도 | .gif) |
|---|
| 단선 / 단락 감지 기능 | 없음 | 보호 기능 | 없음 |
|---|
NX-OD5256-1 | 장치 이름 | 트랜지스터 출력 유니트 | 형식 | NX-OD5256-1 |
|---|
| 점수 | 16 점 | 외부 연결 단자 | M3 나사 단자대 (18 핀) |
|---|
| I / O 리프레쉬 방식 | 프리 런 리프레쉬 방식 또는 입출력 동기 리프레쉬 방식 전환 |
|---|
| LED 표시 | [TS] LED 출력 표시 LED
 | 내부 I / O 커먼 선 처리 | PNP |
|---|
| 정격 전압 | DC24V |
|---|
| 사용 부하 전압 범위 | DC20.4 ~ 28.8V |
|---|
| 최대 부하 전류 | 0.5A / 점, 5A / NX 유닛 |
|---|
| 최대 돌입 전류 | 4.0A / 점, 10ms 이하 |
|---|
| 누설 전류 | 0.1mA 이하 |
|---|
| 잔류 전압 | 1.5V 이하 |
|---|
| ON / OFF 응답 시간 | 0.5ms 이하 /1.0ms 다음 |
|---|
| 외형 치수 | 30 (W) × 100 (H) × 71 (D) | 절연 방식 | 포토 커플러 절연 |
|---|
| 절연 저항 | 절연 된 회로 간 20MΩ 이상 (DC100V에서) | 내전압 | 절연 된 회로 사이 AC510V, 1 분간 누설 전류 5mA 이하 |
|---|
| I / O 전원 공급 방법 | 외부에서 공급 | I / O 전원 단자 전류 용량 | I / O 전원 단자 없음 |
|---|
NX 유니트 전원 소비 전력 | 0.65W 이하 | I / O 전원 소비 전류 | 30mA 이하 |
|---|
| 질량 | 125g 이하 |
|---|
| 회로 구성 | .gif) |
|---|
| 설치 방향 및 제한 | 설치 방향 : 6 방향 가능 제한 : 없음 |
|---|
| 단자 접속도 | .gif) |
|---|
| 단선 / 단락 감지 기능 | 없음 | 보호 기능 | 부하 단락 보호 기능 있음 |
|---|
트랜지스터 출력 유니트 (MIL 커넥터, 30mm 폭)NX-OD5121-5 | 장치 이름 | 트랜지스터 출력 유니트 | 형식 | NX-OD5121-5 |
|---|
| 점수 | 16 점 | 외부 연결 단자 | MIL 커넥터 (20 핀) |
|---|
| I / O 리프레쉬 방식 | 프리 런 리프레쉬 방식 또는 입출력 동기 리프레쉬 방식 전환 |
|---|
| LED 표시 | [TS] LED 출력 표시 LED
 | 내부 I / O 커먼 선 처리 | NPN |
|---|
| 정격 전압 | DC12 ~ 24V |
|---|
| 사용 부하 전압 범위 | DC10.2 ~ 28.8V |
|---|
| 최대 부하 전류 | 0.5A / 점, 2A / NX 유닛 |
|---|
| 최대 돌입 전류 | 4.0A / 점, 10ms 이하 |
|---|
| 누설 전류 | 0.1mA 이하 |
|---|
| 잔류 전압 | 1.5V 이하 |
|---|
| ON / OFF 응답 시간 | 0.1ms 이하 /0.8ms 다음 |
|---|
| 외형 치수 | 30 (W) × 100 (H) × 71 (D) | 절연 방식 | 포토 커플러 절연 |
|---|
| 절연 저항 | 절연 된 회로 간 20MΩ 이상 (DC100V에서) | 내전압 | 절연 된 회로 사이 AC510V, 1 분간 누설 전류 5mA 이하 |
|---|
| I / O 전원 공급 방법 | 외부에서 공급 | I / O 전원 단자 전류 용량 | I / O 전원 단자 없음 |
|---|
NX 유니트 전원 소비 전력 | 0.60W 이하 | I / O 전원 소비 전류 | 30mA 이하 |
|---|
| 질량 | 80g 이하 |
|---|
| 회로 구성 | .gif) |
|---|
| 설치 방향 및 제한 | 설치 방향 : 6 방향 가능 제한 : 없음 |
|---|
| 단자 접속도 | · 3과 4 (COM)는 반드시 양 단자와도 배선하십시오. · 1과 2 (+ V)는 반드시 양 단자와도 배선하십시오. |
|---|
| 단선 / 단락 감지 기능 | 없음 | 보호 기능 | 없음 |
|---|
NX-OD5256-5 | 장치 이름 | 트랜지스터 출력 유니트 | 형식 | NX-OD5256-5 |
|---|
| 점수 | 16 점 | 외부 연결 단자 | MIL 커넥터 (20 핀) |
|---|
| I / O 리프레쉬 방식 | 프리 런 리프레쉬 방식 또는 입출력 동기 리프레쉬 방식 전환 |
|---|
| LED 표시 | [TS] LED 출력 표시 LED
 | 내부 I / O 커먼 선 처리 | PNP |
|---|
| 정격 전압 | DC24V |
|---|
| 사용 부하 전압 범위 | DC20.4 ~ 28.8V |
|---|
| 최대 부하 전류 | 0.5A / 점, 2A / NX 유닛 |
|---|
| 최대 돌입 전류 | 4.0A / 점, 10ms 이하 |
|---|
| 누설 전류 | 0.1mA 이하 |
|---|
| 잔류 전압 | 1.5V 이하 |
|---|
| ON / OFF 응답 시간 | 0.5ms 이하 /1.0ms 다음 |
|---|
| 외형 치수 | 30 (W) × 100 (H) × 71 (D) | 절연 방식 | 포토 커플러 절연 |
|---|
| 절연 저항 | 절연 된 회로 간 20MΩ 이상 (DC100V에서) | 내전압 | 절연 된 회로 사이 AC510V, 1 분간 누설 전류 5mA 이하 |
|---|
| I / O 전원 공급 방법 | 외부에서 공급 | I / O 전원 단자 전류 용량 | I / O 전원 단자 없음 |
|---|
NX 유니트 전원 소비 전력 | 0.70W 이하 | I / O 전원 소비 전류 | 40mA 이하 |
|---|
| 질량 | 85g 이하 |
|---|
| 회로 구성 | .gif) |
|---|
| 설치 방향 및 제한 | 설치 방향 : 6 방향 가능 제한 : 없음 |
|---|
| 단자 접속도 | · 1과 2 (COM (+ V))는 반드시 양 단자와도 배선하십시오. · 3과 4 (0V)는 반드시 양 단자와도 배선하십시오. |
|---|
| 단선 / 단락 감지 기능 | 없음 | 보호 기능 | 부하 단락 보호 기능 있음 |
|---|
NX-OD6121-5 | 장치 이름 | 트랜지스터 출력 유니트 | 형식 | NX-OD6121-5 |
|---|
| 점수 | 32 점 | 외부 연결 단자 | MIL 커넥터 (40 핀) |
|---|
| I / O 리프레쉬 방식 | 프리 런 리프레쉬 방식 또는 입출력 동기 리프레쉬 방식 전환 |
|---|
| LED 표시 | [TS] LED 출력 표시 LED
 | 내부 I / O 커먼 선 처리 | NPN |
|---|
| 정격 전압 | DC12 ~ 24V |
|---|
| 사용 부하 전압 범위 | DC10.2 ~ 28.8V |
|---|
| 최대 부하 전류 | 0.5A / 점, 2A / 일반, 4A / NX 유닛 |
|---|
| 최대 돌입 전류 | 4.0A / 점, 10ms 이하 |
|---|
| 누설 전류 | 0.1mA 이하 |
|---|
| 잔류 전압 | 1.5V 이하 |
|---|
| ON / OFF 응답 시간 | 0.1ms 이하 /0.8ms 다음 |
|---|
| 외형 치수 | 30 (W) × 100 (H) × 71 (D) | 절연 방식 | 포토 커플러 절연 |
|---|
| 절연 저항 | 절연 된 회로 간 20MΩ 이상 (DC100V에서) | 내전압 | 절연 된 회로 사이 AC510V, 1 분간 누설 전류 5mA 이하 |
|---|
| I / O 전원 공급 방법 | 외부에서 공급 | I / O 전원 단자 전류 용량 | I / O 전원 단자 없음 |
|---|
NX 유니트 전원 소비 전력 | 0.80W 이하 | I / O 전원 소비 전류 | 50mA 이하 |
|---|
| 질량 | 90g 이하 |
|---|
| 회로 구성 | .gif) |
|---|
| 설치 방향 및 제한 | 설치 방향 : 6 방향 가능 제한 : 없음 |
|---|
| 단자 접속도 | • 21와 22 (+ V0)는 반드시 양 단자와도 배선하십시오. • 23와 24 (COM0)는 반드시 양 단자와도 배선하십시오. • 1과 2 (+ V1)는 반드시 양 단자와도 배선하십시오. • 3과 4 (COM1)는 반드시 양 단자와도 배선하십시오. |
|---|
| 단선 / 단락 감지 기능 | 없음 | 보호 기능 | 없음 |
|---|
NX-OD6256-5 | 장치 이름 | 트랜지스터 출력 유니트 | 형식 | NX-OD6256-5 |
|---|
| 점수 | 32 점 | 외부 연결 단자 | MIL 커넥터 (40 핀) |
|---|
| I / O 리프레쉬 방식 | 프리 런 리프레쉬 방식 또는 입출력 동기 리프레쉬 방식 전환 |
|---|
| LED 표시 | [TS] LED 출력 표시 LED
 | 내부 I / O 커먼 선 처리 | PNP |
|---|
| 정격 전압 | DC24V |
|---|
| 사용 부하 전압 범위 | DC20.4 ~ 28.8V |
|---|
| 최대 부하 전류 | 0.5A / 점, 2A / 일반, 4A / NX 유닛 |
|---|
| 최대 돌입 전류 | 4.0A / 점, 10ms 이하 |
|---|
| 누설 전류 | 0.1mA 이하 |
|---|
| 잔류 전압 | 1.5V 이하 |
|---|
| ON / OFF 응답 시간 | 0.5ms 이하 /1.0ms 다음 |
|---|
| 외형 치수 | 30 (W) × 100 (H) × 71 (D) | 절연 방식 | 포토 커플러 절연 |
|---|
| 절연 저항 | 절연 된 회로 간 20MΩ 이상 (DC100V에서) | 내전압 | 절연 된 회로 사이 AC510V, 1 분간 누설 전류 5mA 이하 |
|---|
| I / O 전원 공급 방법 | 외부에서 공급 | I / O 전원 단자 전류 용량 | I / O 전원 단자 없음 |
|---|
NX 유니트 전원 소비 전력 | 1.00W 이하 | I / O 전원 소비 전류 | 80mA 이하 |
|---|
| 질량 | 95g 이하 |
|---|
| 회로 구성 | .gif) |
|---|
| 설치 방향 및 제한 | 설치 방향 : 6 방향 가능 제한 : 없음 |
|---|
| 단자 접속도 | • 21와 22 (COM0 (+ V))는 반드시 양 단자와도 배선하십시오. • 1과 2 (COM1 (+ V))는 반드시 양 단자와도 배선하십시오. • 23와 24 (0V0)는 반드시 양 단자와도 배선하십시오. • 3-4 (0V1)는 반드시 양 단자와도 배선하십시오. |
|---|
| 단선 / 단락 감지 기능 | 없음 | 보호 기능 | 부하 단락 보호 기능 있음 |
|---|
트랜지스터 출력 유니트 (후지쯔 커넥터, 30mm 폭)NX-OD6121-6 | 장치 이름 | 트랜지스터 출력 유니트 | 형식 | NX-OD6121-6 |
|---|
| 점수 | 32 점 | 외부 연결 단자 | 후지쯔 커넥터 (40 핀) |
|---|
| I / O 리프레쉬 방식 | 프리 런 리프레쉬 방식 또는 입출력 동기 리프레쉬 방식 전환 |
|---|
| LED 표시 | [TS] LED 출력 표시 LED
 | 내부 I / O 커먼 선 처리 | NPN |
|---|
| 정격 전압 | DC12 ~ 24V |
|---|
| 사용 부하 전압 범위 | DC10.2 ~ 28.8V |
|---|
| 최대 부하 전류 | 0.5A / 점, 2A / 일반, 4A / NX 유닛 |
|---|
| 최대 돌입 전류 | 4.0A / 점, 10ms 이하 |
|---|
| 누설 전류 | 0.1mA 이하 |
|---|
| 잔류 전압 | 1.5V 이하 |
|---|
| ON / OFF 응답 시간 | 0.1ms 이하 /0.8ms 다음 |
|---|
| 외형 치수 | 30 (W) × 100 (H) × 71 (D) | 절연 방식 | 포토 커플러 절연 |
|---|
| 절연 저항 | 절연 된 회로 간 20MΩ 이상 (DC100V에서) | 내전압 | 절연 된 회로 사이 AC510V, 1 분간 누설 전류 5mA 이하 |
|---|
| I / O 전원 공급 방법 | 외부에서 공급 | I / O 전원 단자 전류 용량 | I / O 전원 단자 없음 |
|---|
NX 유니트 전원 소비 전력 | 0.80W 이하 | I / O 전원 소비 전류 | 50mA 이하 |
|---|
| 질량 | 90g 이하 |
|---|
| 회로 구성 | .gif) |
|---|
| 설치 방향 및 제한 | 설치 방향 : 6 방향 가능 제한 : 없음 |
|---|
| 단자 접속도 | · A9와 A19 (COM0)는 반드시 양 단자와도 배선하십시오. · B9와 B19 (COM1)는 반드시 양 단자와도 배선하십시오. · A10과 A20 (+ V0)는 반드시 양 단자와도 배선하십시오. · B10와 B20 (+ V1)는 반드시 양 단자와도 배선하십시오. |
|---|
| 단선 / 단락 감지 기능 | 없음 | 보호 기능 | 없음 |
|---|
릴레이 출력 유니트 (스크류리스 클램프 단자대, 12mm 폭)NX-OC2633 | 장치 이름 | 릴레이 출력 유니트 | 형식 | NX-OC2633 |
|---|
| 점수 | 2 점 독립 접점 | 외부 연결 단자 | 스크류리스 클램프 단자대 (8 핀) |
|---|
| I / O 리프레쉬 방식 | 프리 런 리프레쉬 방식 |
|---|
| LED 표시 | [TS] LED 출력 표시 LED | 릴레이 유형 | NO 접점 |
|---|
| 최대 개폐 능력 | AC250V / 2A (cosφ = 1), AC250V / 2A (cosφ = 0.4), DC24V / 2A, 4A / 유닛 |
|---|
| 최소 개폐 능력 | DC5V, 1mA |
|---|
| 릴레이 수명 | 전기적 : 10 만회 * 기계적 : 2,000 만회 | ON / OFF 응답 시간 | 15ms 이하 / 15ms 이하 |
|---|
| 외형 치수 | 12 (W) × 100 (H) × 71 (D) | 절연 방식 | 릴레이 절연 |
|---|
| 절연 저항 | A1 / B1 단자와 A3 / B3 단자 전체 간 : 20MΩ 이상 (DC500V에서) 외부 단자와 내부 회로 간 : 20MΩ 이상 (DC500V에서) 내부 회로와 GR 간 : 20MΩ 이상 (DC100V에서) 외부 단자 일괄과 GR 간 : 20MΩ 이상 (DC500V에서) | 내전압 | A1 / B1 단자와 A3 / B3 단자 일괄 사이 : AC2300V, 1 분간 누설 전류 5mA 이하 외부 단자와 GR 간 : AC2300V, 1 분간 누설 전류 5mA 이하 외부 단자와 내부 회로 간 : AC2300V 1 분간 누설 전류 5mA 이하 내부 회로와 GR 간 : AC510V 1 분간 누설 전류 5mA 이하 |
|---|
| 진동 | IEC60068-2-6에 따라 5 ~ 8.4Hz 진폭 3.5mm 8.4 ~ 150Hz 가속도 9.8m / s 2 X, Y, Z 각 방향 100 분 (소인 시간 10 분 × 소인 횟수 10 회 = 총 100 분) | 충격 | 100m / s 2 X, Y, Z 각 방향 3 회 |
|---|
| I / O 전원 공급 방법 | 외부에서 공급 | I / O 전원 단자 전류 용량 | I / O 전원 단자 없음 |
|---|
NX 유니트 전원 소비 전력 | 0.80W 이하 | I / O 전원 소비 전류 | 소비없이 |
|---|
| 질량 | 65g 이하 |
|---|
| 회로 구성 | |
|---|
| 설치 방향 및 제한 | 설치 방향 : 6 방향 가능 제한 : 없음 |
|---|
| 단자 접속도 | |
|---|
| 단선 / 단락 감지 기능 | 없음 | 보호 기능 | 없음 |
|---|
NX-OC2733 | 장치 이름 | 릴레이 출력 유니트 | 형식 | NX-OC2733 |
|---|
| 점수 | 2 점 독립 접점 | 외부 연결 단자 | 스크류리스 클램프 단자대 (8 핀) |
|---|
| I / O 리프레쉬 방식 | 프리 런 리프레쉬 방식 |
|---|
| LED 표시 | [TS] LED 출력 표시 LED | 최대 개폐 능력 | AC250V / 2A (cosφ = 1), AC250V / 2A (cosφ = 0.4), DC24V / 2A 4A / NX 유닛 |
|---|
| 최소 개폐 능력 | DC5V, 10mA |
|---|
| 릴레이 수명 | 전기적 : 10 만회 * 기계적 : 2,000 만회 | ON / OFF 응답 시간 | 15ms 이하 / 15ms 이하 |
|---|
| 외형 치수 | 12 (W) × 100 (H) × 71 (D) | 절연 방식 | 릴레이 절연 |
|---|
| 절연 저항 | A1 / 3, B1 / 3 단자와 A5 / 7, B5 / 7 단자 전체 간 : 20MΩ 이상 (DC500V에서) 외부 단자와 기능 접지 단자 간 : 20MΩ 이상 (DC500V에서) 외부 단자와 내부 회로 사이 : 20MΩ 이상 (DC500V에서) 내부 회로와 기능 접지 단자 간 : 20MΩ 이상 (DC100V에서) | 내전압 | A1 / 3, B1 / 3 단자와 A5 / 7, B5 / 7 단자 일괄 사이 : AC2300V, 1 분간 누설 전류 5mA 이하 외부 단자 및 기능 접지 단자 간 : AC2300V 1 분간 누설 전류 5mA 이하 외부 단자 일괄과 내부 회로 간 : AC2300V 1 분간 누설 전류 5mA 이하 내부 회로와 기능 접지 단자 간 : AC510V 1 분간 누설 전류 5mA 이하 |
|---|
| I / O 전원 공급 방법 | 외부에서 공급 | I / O 전원 단자 전류 용량 | I / O 전원 단자 없음 |
|---|
NX 유니트 전원 소비 전력 | 0.95W 이하 | I / O 전원 소비 전류 | 소비없음 |
|---|
| 질량 | 70g 이하 |
|---|
| 회로 구성 | |
|---|
| 설치 방향 및 제한 | 설치 방향 : 6 방향 가능 제한 : 없음 |
|---|
| 단자 접속도 | |
|---|
| 단선 / 단락 감지 기능 | 없음 | 보호 기능 | 없음 |
|---|
정보 | NX 유니트 | 지원 버전 |
|---|
| 형식 | 유닛 버전 | EtherCAT 커플러 유니트 NX-ECC20 □ | NJ / NX 시리즈 CPU 모듈 NJ501- □□□□ / NJ301- □□□□ / NJ101- □□□□ / NX701- □□□□ | SYSMAC Studio | 통신 커플러 유니트 NX-EIC202 | SYSMAC Studio |
|---|
| NX-OD2154 | Ver.1.0 | Ver.1.1 | Ver.1.06 | Ver.1.07 | --- | --- | | NX-OD2258 | | NX-OD3121 | Ver.1.0 | Ver.1.05 | Ver.1.06 | Ver.1.0 | Ver.1.10 | | NX-OD3153 | | NX-OD3256 | | NX-OD3257 | | NX-OD3268 | Ver.1.13 | Ver.1.13 | | NX-OD4121 | Ver.1.06 | Ver.1.10 | | NX-OD4256 | | NX-OD5121 | | NX-OD5121-1 | Ver.1.13 | Ver.1.13 | | NX-OD5121-5 | Ver.1.10 | Ver.1.10 | | NX-OD5256 | Ver.1.06 | | NX-OD5256-1 | Ver.1.13 | Ver.1.13 | | NX-OD5256-5 | Ver.1.10 | Ver.1.10 | | NX-OD6121-5 | | NX-OD6121-6 | Ver.1.13 | Ver.1.13 | | NX-OD6256-5 | Ver.1.10 | Ver.1.10 | | NX-OC2633 | Ver.1.06 | | NX-OC2733 | Ver.1.08 |
* 유닛의 종류에 따라서는 위 표에 기재 한 버전이 존재하지 않는 형식이 있습니다. 그 경우에는 표에 나와있는 지원 버전 이후 가장 오래된 버전이 지원됩니다. 형식과 버전 관계는 각 장치의 사용 설명서를 참조하십시오. |